This is a demo store. No orders will be fulfilled.
Yleisimmät LED-nauhojen himmennysvaihtoehdot:
Langaton himmennys:
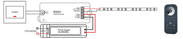
1. Kytkennässä toisiopuolelle asennettava Himmennin Vastaanotin, vastaanotinta ohjataan langattomasti säätimellä, kaukosäätimellä, tai erikseen ostettavien lisäosien avulla wifin kautta. Esim RW01, RW02, RW03, KO70, RD07 jne (osaa malleista voi lisäksi ohjata myös sähkökalustesarjan jousipalautteisella kytkimellä, kuvassa "PUSH")

2. Kytkennässä Muuntajavastaanotin, muuntajavastaanotinta ohjataan langattomasti, erillistä muuntajaa ei tarvita. Muuntajavastaanotinta ohjataan langattomasti säätimellä, kaukosäätimellä, tai wifin kautta. Esim RW71, RW72, RW73, RW74, RW75 (voi ohjata myös sähkökalustesarjan jousipalautteisella kytkimellä, kuvassa "PUSH")

Himmennys himmennettävällä muuntajalla, muuntaja tulee kytkennässä ensiöpuolelle:
• TRIAC himmennettävä muuntaja, toimii kiinteällä seinärullalla esim SM07, KO66, SM7 ( TRIAC muuntajaa voi ohjata myös langattomasti lisäosan RW50 avulla )

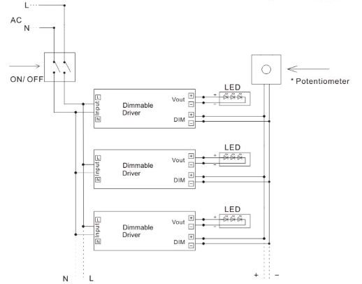
• Painonapilla himmennettävät muuntajat, toimii suoraan sähkökalustesarjasi jousipalautteisella kytkimellä. Mikä tahansa sähkökalustesarja käy kunhan kytkin on jousipalautteinen. Näitä muuntajia on saatavilla myös DALI ohjauksella.

• 0/1-10V himmennettävä muuntaja, toimii himmennyspotikalla esim DD11. ( 0/1-10 muuntajaa voi ohjata myös langattomasti lisäosan RW54 avulla )

Edellisten lisäksi tietenkin löytyy langalliset toisiopuolen himmentimet, esim. KO61, jota voi käyttää vaikka akkujärjestelmän kanssa, tai missä tahansa jossa ei haluta kaukosäätöä matalajännitepuolen himmennyksessä.
Esimerkkinä vielä minihimmennin KO57, asennetaan kannellisen alumiinilistan sisään, toimii koskettamalla alumiinilistan kantta.
Löytyy myös toisipuolen erikoisempia himmentimiä esim KO39, himmentää valoa liiketunnistuksen avulla, kättä pidetään tai heilautetaan sensorin edessä, valo himmenee / kirkastuu, syttyy / sammuu. Nämä ovat ns kosketusvapaita himmentimiä.
